|
||
全部產品分類
|
||
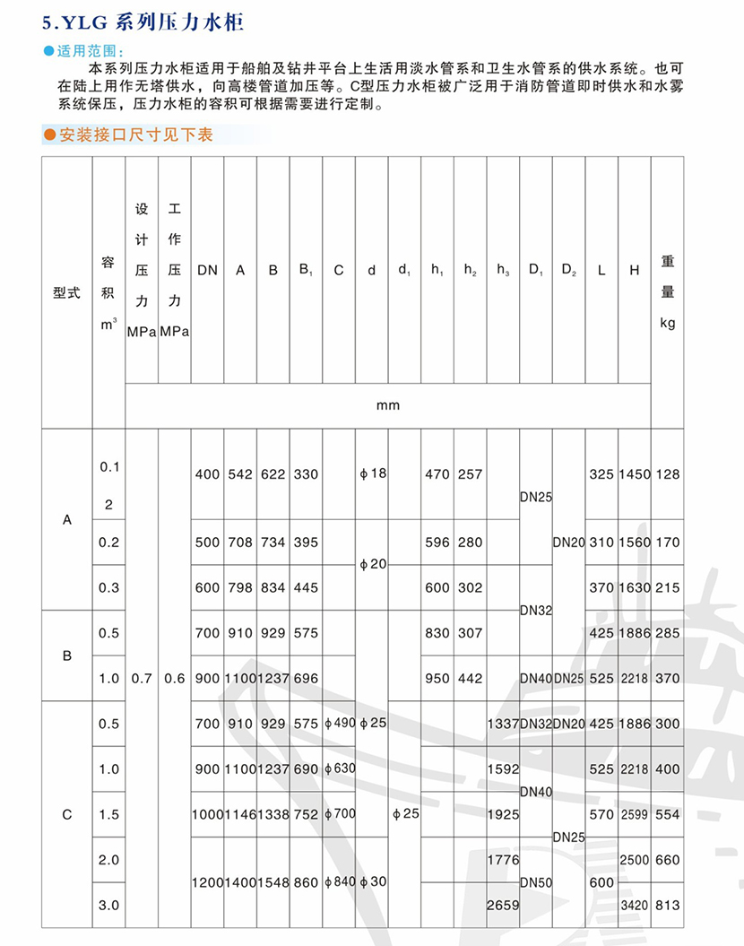
| 船用壓力水柜 | |||
| 工作壓力: | 0.6MPa | 重量: | 660kg |
| 容積: | 2.0m3 | ||


| -供應商聯系方式- | |||||
|
|
公司名稱: | 武漢東盟船舶配套工程有限公司 |
|
聯系人姓名: | 朱鵬 |
| 公司地址: | 武漢市蔡甸區九康大道花園灣二街 | 聯系人電話: | 15927110099 、027-88081198 88057818 | ||
| 聯系人郵箱: | 15927110099@139.com | ||||